Elegant F46 Koridorový LED ovládač – Dynamické animácie pre digitálne pásky s pohybom
Kód: NL799Podrobný popis
Elegant F46 Koridorový LED ovládač: Inovatívne animácie pre vaše digitálne LED pásiky
Sterownik korytarzowy F46 od Elegant-LED je pokročilý ovládač, ktorý dodá vašim chodbám, schodiskám alebo iným dlhým priestorom jedinečný vizuálny prvok – efekt „vypĺňania“ alebo „rozvíjania“ svetla. Namiesto jednoduchého zapnutia a vypnutia sa svetlo plynule rozširuje pozdĺž pripojeného digitálneho LED pásika a vytvára tak dynamickú a elegantnú animáciu.
Kľúčové vlastnosti a výhody:
-
Dynamické svetelné efekty:
- Efekt rozvíjania/zvinovania: Svetlo sa plynule „rozvinie“ po dĺžke pásika pri aktivácii a môže sa po nastavenej dobe opäť „zvinúť“ (pri použití pohybového senzora).
- Voliteľné animácie: Vyberte si z niekoľkých prednastavených animačných efektov, ktoré obohatia každé spustenie alebo vypnutie osvetlenia.
- Dynamické efekty na rozvinutej línii: Aj po úplnom rozvinutí svetla je možné spustiť ďalšie dynamické efekty, ktoré oživia už aktívne osvetlenie.
-
Flexibilné ovládanie a spúšťanie:
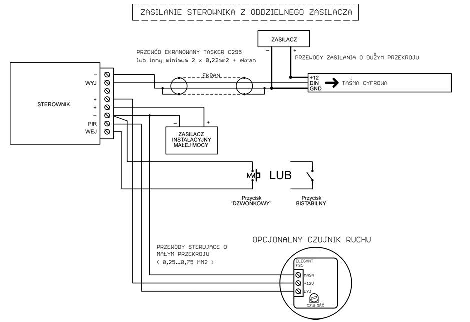
- Pohybové senzory: Kompatibilita s reflexnými pohybovými senzormi (napr. typu FS1A) pre automatické spustenie animácie pri detekcii osoby. Osvetlenie sa po uplynutí nastavenej doby automaticky vypne.
- Monostabilné a bistabilné tlačidlá: Ovládač spolupracuje ako so „zvončekovými“ (monostabilnými) tlačidlami, tak s klasickými (bistabilnými) vypínačmi pre manuálne zapínanie a vypínanie.
- Diaľkové ovládanie a WiFi: Možnosť ovládania pomocou kompatibilných diaľkových ovládačov Mi-Light/MIBOXER (napr. FUT089, FUT092, FUT096, C5, B3, T3, B4, T4, K1, FUT007, T1) alebo vzdialene cez WiFi most R240 pre integráciu do chytrej domácnosti.
-
Široká kompatibilita s LED pásikmi:
- Podporuje až 1000 pixelov digitálnych LED pásikov.
- Kompatibilné s rôznymi typmi adresovateľných LED pásikov: RGB, RGBW, MONO, CCT, RGB+CCT.
- Podpora mnohých IC čipov, vrátane obľúbených WS2811, WS2812B, SK6812, TM1814 a ďalších (pozri technické špecifikácie).
-
Jednoduchá konfigurácia:
- Intuitívne nastavenie typu pásika pomocou prepínača.
- Jednoduché párovanie s diaľkovými ovládačmi a WiFi mostom.
- Konfiguračné menu pre nastavenie dĺžky pásika, rýchlosti animácie, typu tlačidla a času pre vypnutie po detekcii pohybu.
Technické špecifikácie:
- Napájacie napätie: 5-24V DC
- Maximálny prúd LED (skrutkové svorky): 9A
- Vstupy pre tlačidlá: Aktívny nízky stav, interné pull-up rezistory 3.6kOhm k napájaciemu plusu.
- Rozmery: 60 x 84 x 30 mm
- Prevádzková frekvencia diaľkového ovládača: 2.4GHz
- Podporované IC čipy: WS2811, WS2812S, WS2812B, WS2812D, WS2813, WS2815, WS2818, PD9823, SK6812 (vrátane RGBW), TM1803, TM1804, TM1809, UCS1903, UCS1909, UCS1912, UCS2903, UCS2909, UCS2912, APA104, WS2814, WS2812F, TM1814 RGBW, RGB+CCT WS2805, RGB+CCT WS2811.
- Prevádzková teplota: +1°C až +40°C
- Relatívna vlhkosť: 30% až 75%
- Odporúčaná dĺžka riadiaceho kábla LED pásika: Max. 10 cm (dlhší vyžaduje tienený kábel).
Elegant F46 je ideálnou voľbou pre tých, ktorí hľadajú moderné, flexibilné a vizuálne atraktívne riešenie pre osvetlenie chodieb a schodísk v inteligentnej domácnosti.
Podporované diaľkové ovládače:
, C5 B3, T3, B4, T4, K1, FUT007, T1
- MiBoxer FUT089
- MiBoxer FUT092
- MiBoxer FUT096
- Miboxer C5
- MiBoxer B3
- MiBoxer T3
- MiBoxer B4
- Miboxer T4
- MiBoxer FUT007
- MiBoxer T1


Dodatočné parametre
| Kategória: | Schodiskové / Chodbové riadiace jednotky |
|---|---|
| Záruka: | 2 roky |
| EAN: | 5904824102702 |
| Napájacie napätie: | 5 - 24 VDC |
| Typ IC čipu: | WS2811, TM1814, WS2812S, WS2812B, WS2812D, PD9823, SK6812, TM1803, TM1804, TM1809, UCS1903, UCS1909, UCS1912, UCS2909, APA104, WS2813, WS2815, WS2818 |
| Výrobca: | Elegant LED |
| Výstupný prúd max.: | 9A |
Hodnotenie tovaru
Buďte prvý, kto napíše príspevok k tejto položke.
Len registrovaní používatelia môžu pridávať hodnotenie. Prosím prihláste sa alebo sa zaregistrujte.
Diskusia
Buďte prvý, kto napíše príspevok k tejto položke.
